关注环球体育
首页
关于环球体育
公司概况
发展历程
企业文化
荣誉资质
公司动态
联系环球体育
党的建设
投资者关系
数智化服务
AI
工业互联网及智能制造
企业管理
数据服务
系统集成
生态服务
企业级ICT
自主可控
自有品牌
智能机器
新闻中心
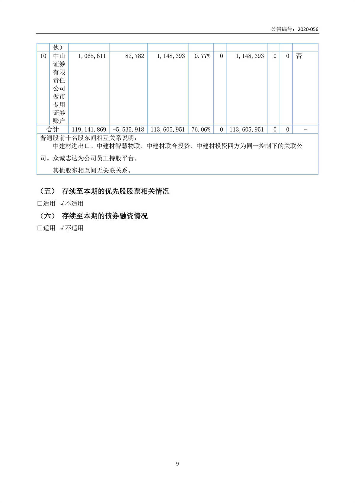
中建信息2020年第三季度报告
发表时间:2020-10-28
上一篇:中建信息2020年年度报告摘要
下一篇:中建信息2020年半年度报告
Copyright © 2026
环球体育官网
版权所有
备案号:
闽ICP备09038794号-1
网址 :
www.pt0591.com
技术支持:
环球体育官网
网站地图
首页
关于环球体育
数智化服务
生态服务
新闻中心
友情链接:
星空体育官网
米兰官网
米兰官网
摩根娱乐
AG真人国际
ng电子游戏
乐鱼体育官网
365在线体育
AG真人国际
ng电子游戏